+33 (0)2 41 54 22 54
contact@fgti-distribution.fr
LinkedIn
Home
IDG seals
Sealing techniques for industry, mechanics and automation
Piston rings
Rod seals
Shaft seals
Axial sealing
Piston and rod guides
Scrapers
Static waterproofing
Specific range for the food industry
Dosing pistons
Piston rings
Rod seals
Sockets
Shaft seals
Axial joint
Static waterproofing
Detectable materials
Specific range for hydroelectric power plants
Control valve
Pelton turbine injector
Tourillon
Moving ring
Expansion
Kaplan turbine runner
Servo motor
ARAYMOND Fixations
ARAYMOND Assembly Solutions
Fixings and assemblies for electrical equipment
Fixings and assembly for industrial furniture
Fixings and assembly for industry
HVAC-specific fixation and assembly
Detailed datasheets
ARAYMOND Catalogues
Quick release couplings for fluids
Spotlight on quick connectors for cars, agricultural machinery, construction equipment
PTFE and GTS composites
High-Performance Composites GTS
PTFE Bellows / Expansion Joints
PTFE Membranes / Diaphragms
Bespoke parts in PTFE or composites
Porous PTFE
Mechanical fixation
ARAY
Quick release couplings for fluids
Spotlight on quick connectors for cars, agricultural machinery, construction equipment
Tubular rivets KW
Hollow rivets
Tubes
Bespoke tubular parts
Our mission
Contact
Home
ARaymond Fixations
Adaptor for mounting tube and/or strap to panel edges
FGTI-Distribution > ARaymond Fixings > Detailed technical data sheets > Adapters for straps and tube clips > Adapters for mounting on panel edges for straps and/or tube clips
Panel edge adapters
Tube and/or strap adapter
Strap on the edges of panels
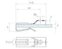
Dimensions - Tube holder adapter / lanyard - panel edges
All dimensions are in mm and angles in ° / Other dimensions and variations available on request
- Base to be positioned on panel edge - To be fitted with a mallet - Suitable for straps - With retaining claws
Straps
Detachable straps
Supports for clips-on tubes in a hole
English
French
Italian
Spanish
Portuguese
Polish